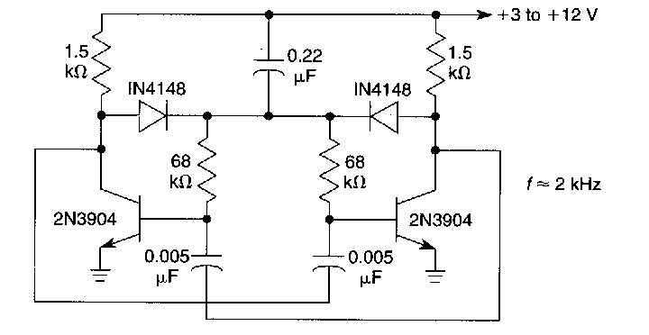
We found this circuit in an American documentation from the 90's. The circuit makes use of general purpose NPN transistors. The 0.005 uF (5nF) capacitors determine the frequency.
This circuit was found in a 1970s General Electric documentation. This circuit already used an...
A rectangular signal can be generated with the figure setting. The values given in the circle...
This circuit was obtained in an old publication. The FET can also be the BF245. The potentiometers can be...