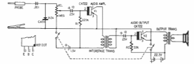
This signal follower was obtained from a Raytheon manual from the 1960s. The transistor is made of germanium and the transformers are common types at the time.

This signal follower was obtained from a Raytheon manual from the 1960s. The transistor is made of germanium and the transformers are common types at the time.
