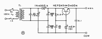
This simple regulated power supply was found in a 1977 documentation. The zener diode determines the voltage and the transistor must match the output current.

This simple regulated power supply was found in a 1977 documentation. The zener diode determines the voltage and the transistor must match the output current.
