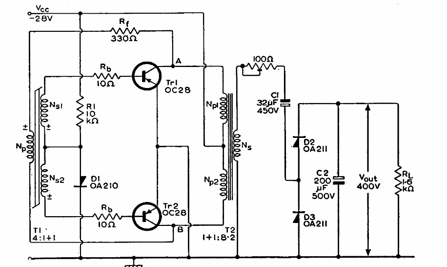
This voltage inverter circuit was found in a Mullard transistor manual from 1960. Information on the transformers was given. Transistors are germanium types.
This circuit is from 1990 documentation. It can be implemented with BC548 transistors instead of...
When you speak into the microphone of this circuit, the sound produced in the speaker resembles a robot...
This circuit uses an operational amplifier that is no longer on the market but can be implemented with a...