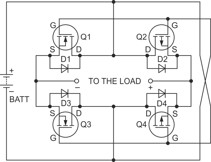
In the figure we have an interesting protection bridge against power polarity inversion of a circuit using power MOSFETs. MOSFETs must have currents according to the protected load.
This well-designed bistable configuration is for educational purposes. We found it in the...
This low power bass booster is from the 1977 National Semiconductor Audio Handbook. The circuit is...
This circuit, well known to our readers, only has a slightly different schematic representation, as it was...