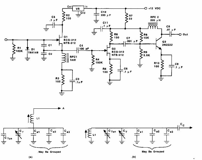
We found this circuit in a magazine 73 from the 90's. It is a circuit indicated for radio-amateur transmitters with the frequencies determined by the sets of coils.
This transmitter kicks in when the microphone picks up sound. This sound then modulates the signal...
The great advantage of the circuit shown in the figure is the fact that its frequency is...
This circuit for incandescent lamps was found in the February 1972 Radio Electronics magazine. The triac is...