This circuit was obtained from an Electronic Design from 1964. Transistors admit modern equivalents and the range of frequencies generated can be changed.
This microcontrolled null adjustment for operational amplifiers was obtained in a Linear...
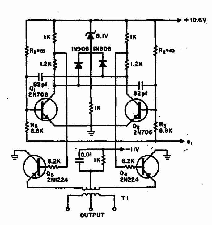
This inverter is critical for transformers and can use modern equivalent transistors like MJ2955 on...
May 2017 - Mouser Electronics is announcing the availability of Omron's new 2JCIE-BL01 environment sensors for...