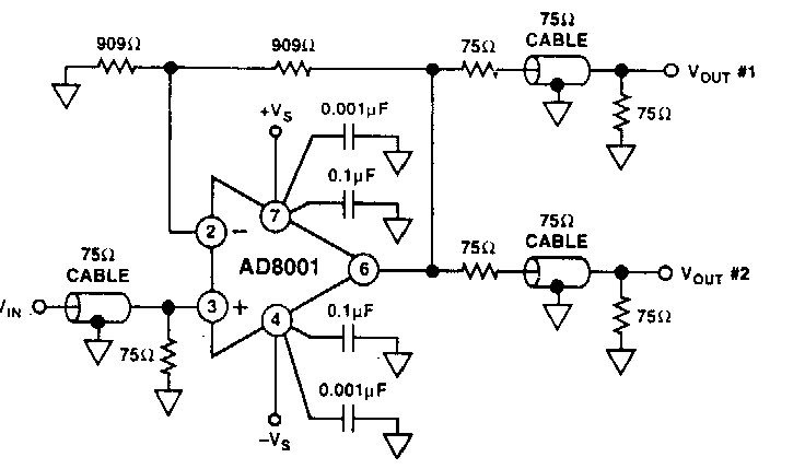
This circuit was found in Analog Devices documentation from the 90's. The integrated circuit used is from the time. The circuit is for HDTV signals. of the time.
This common configuration source with diode bridge and single winding transformer was found in a...
In the figure we have an interesting circuit in which an LED is used as a photoelectric sensor. When...
This circuit was obtained in a 1991 Electronics Handbook. The publication no longer exists, but...