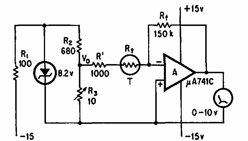
This temperature sensor circuit was found in an old American documentation. The components used are still current.
This circuit found in a 1988 documentation consists of a timer or sequential timer controller. The...
The LM11 is a precision operational amplifier from National Semiconductor. The circuit was found in...
This circuit is intended for the use as modulated light signals from digital sources. The circuit...