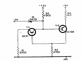
Found in a 1960 Mullard transistor manual, this circuit uses components from the time.
This analog thermometer was obtained from an English documentation. The sensor is a common diode...
Found in Popular Electronics from the 90s, this 1.5 A power supply can supply voltages selected by a...
This circuit was found in Radio Electronics magazine from February 1962. The sensor is an LDR, and the...