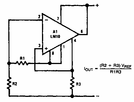
This is the basic configuration of an operational amplifier as a current regulator. We found it in a National Semiconductor manual from the 1990s. It applies to other operational.

This is the basic configuration of an operational amplifier as a current regulator. We found it in a National Semiconductor manual from the 1990s. It applies to other operational.
