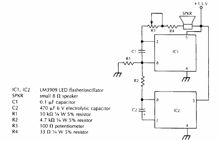
This circuit was obtained from an American documentation from the 90's. The components can be changed, and a power step can be added for greater sound volume.
If you are on an old PC that you use for experiments, control or other applications, this circuit is...
We found this circuit in an American publication from 1977. The circuit drives two LEDs according to...
In this circuit, the integrated amplifier used is uncommon today. The circuit is from an American...