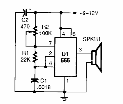
This circuit was found at Popular Electronics. The speaker is of the greater than 100-ohm impedance type or a piezoelectric tweeter capsule. A common tweeter without the built-in transformer can be used.

This circuit was found at Popular Electronics. The speaker is of the greater than 100-ohm impedance type or a piezoelectric tweeter capsule. A common tweeter without the built-in transformer can be used.
