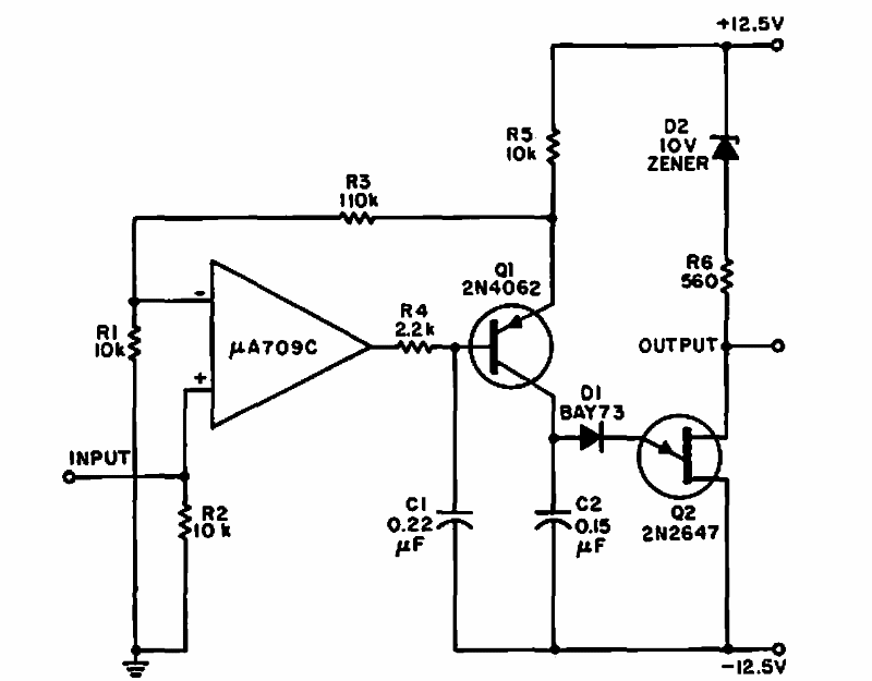
Found in a 1967 Electronic Design, this circuit operates in a range of 0 to 1 V input with frequencies determined by C2. The components are from the period.
If you are on an old PC that you use for experiments, control or other applications, this circuit is...
We found this circuit in an American publication from 1977. The circuit drives two LEDs according to...
In this circuit, the integrated amplifier used is uncommon today. The circuit is from an American...