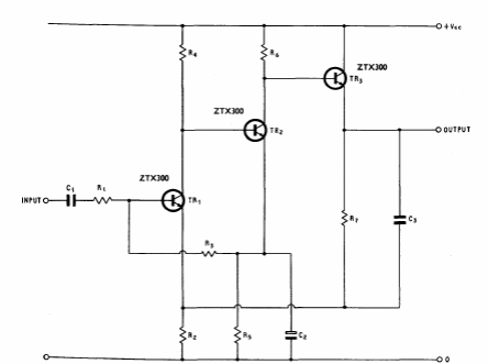
Found in the 1974 Ferranti transistor manual, this circuit uses components from the time,
In this circuit of the 1980s, the T1 transformer has 30 turns of 28 primary wire and the secondary...
This circuit was found in a 2005 Linear Technology sensor manual. The circuit can function as a shield...
Suggested by General Electric in a 1967 publication, this circuit makes use of an SCR of the time....