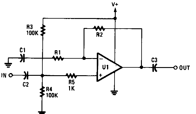
This non-inverter circuit was found in a Radio Electronics. It shows the basic configuration of a single power source operational amplifier.
If you are on an old PC that you use for experiments, control or other applications, this circuit is...
We found this circuit in an American publication from 1977. The circuit drives two LEDs according to...
In this circuit, the integrated amplifier used is uncommon today. The circuit is from an American...