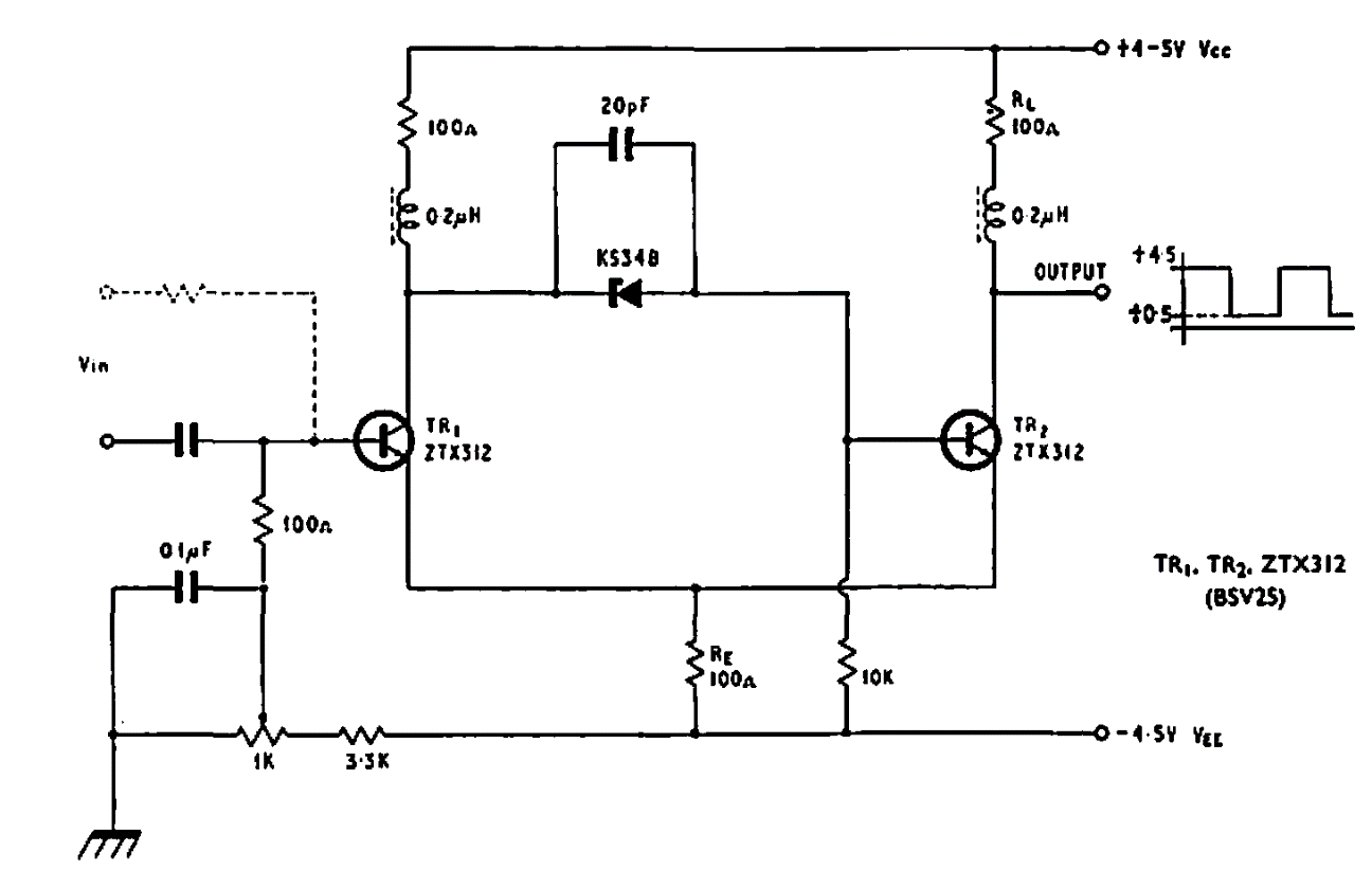
This Schmitt trigger was found in a 1969 Ferranti documentation. Transistors may be modern equivalents.
If you are on an old PC that you use for experiments, control or other applications, this circuit is...
We found this circuit in an American publication from 1977. The circuit drives two LEDs according to...
In this circuit, the integrated amplifier used is uncommon today. The circuit is from an American...