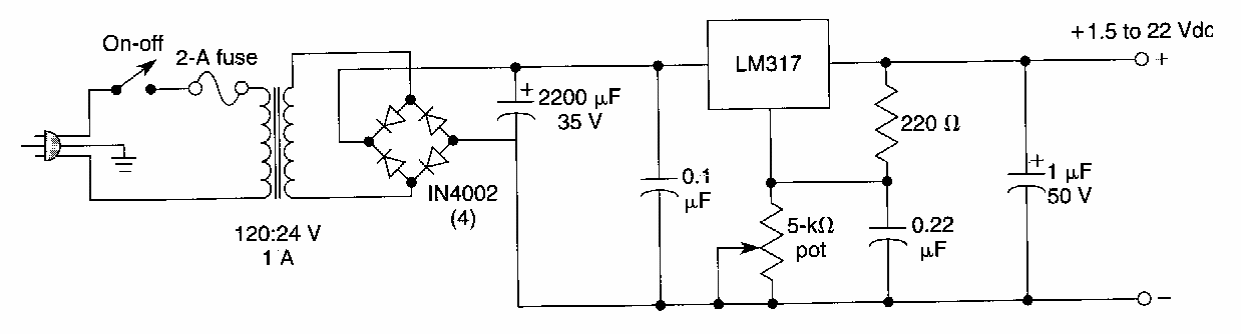
Found in an American documentation from the 90's, this 1.5 A power supply provides 1.5 to 22 V of output. The integrated circuit must be mounted on a heat sink.
In the 70s, Ibrape launched an excellent audio pre-amplifier kit to be used in amplifiers of the...
This amplifier stage was found in a 1956 Sylvania manual and has an unusual configuration with a...
Found in a QST magazine from the 90s, this powerful unit is intended to supply a VHF transceiver for...