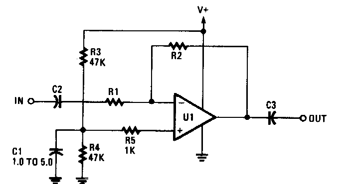
This inverter circuit was found in a Radio Electronics. It shows the basic configuration of a single source operational amplifier.
With the components indicated, the circuit oscillates at 20 MHz. The coils and capacitors can be...
The trigger shown in the figure, built around a 4093 can generate pulses that reach 1 hour with a...
This circuit was obtained in an old American documentation, remembering that the 566 is the double...