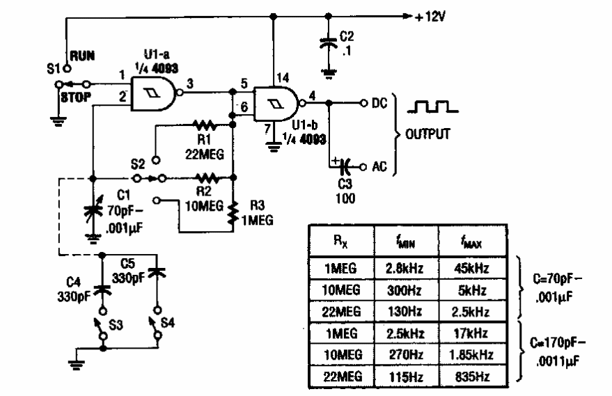
This variable frequency oscillator with the 4093 was found in a Popular Electronics from the 90s. The table gives the component values for various frequency ranges.
In the 70s, Ibrape launched an excellent audio pre-amplifier kit to be used in amplifiers of the...
This amplifier stage was found in a 1956 Sylvania manual and has an unusual configuration with a...
Found in a QST magazine from the 90s, this powerful unit is intended to supply a VHF transceiver for...