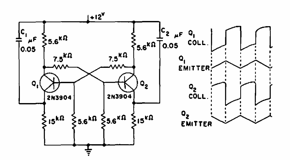
Found in a 1968 publication, this circuit generates signals with the waveforms shown next to the diagram. Modern equivalent transistors can be used.
In the 70s, Ibrape launched an excellent audio pre-amplifier kit to be used in amplifiers of the...
This amplifier stage was found in a 1956 Sylvania manual and has an unusual configuration with a...
Found in a QST magazine from the 90s, this powerful unit is intended to supply a VHF transceiver for...