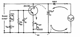
Found in an old American publication, this circuit generates sweep pulses. The circuit generates 200 pps and can make use of modern equivalent transistors.

Found in an old American publication, this circuit generates sweep pulses. The circuit generates 200 pps and can make use of modern equivalent transistors.
