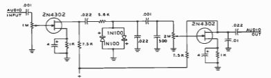
We found this circuit in an American 1977 circuit manual. The components are from the period. Its purpose is to limit the signal by cutting off peaks that cause overmodulation.

We found this circuit in an American 1977 circuit manual. The components are from the period. Its purpose is to limit the signal by cutting off peaks that cause overmodulation.
