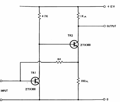
This circuit was taken from the 1974 Ferranti transistor manual. Transistors are common types at the time. The passband is 9 MHz and the voltage gain 10.

This circuit was taken from the 1974 Ferranti transistor manual. Transistors are common types at the time. The passband is 9 MHz and the voltage gain 10.
