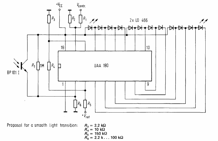
We found this range of LEDs with the UAA180 in the 1976 Siemens Integrated Circuits manual. The maximum supply voltage is 18 V.
In the 70s, Ibrape launched an excellent audio pre-amplifier kit to be used in amplifiers of the...
This amplifier stage was found in a 1956 Sylvania manual and has an unusual configuration with a...
Found in a QST magazine from the 90s, this powerful unit is intended to supply a VHF transceiver for...