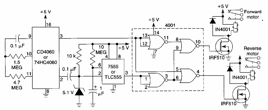
We found this circuit in an old American documentation, but the circuit can still be assembled with ease as the used components are still available. MOSFETs admit equivalents.
In the 70s, Ibrape launched an excellent audio pre-amplifier kit to be used in amplifiers of the...
This amplifier stage was found in a 1956 Sylvania manual and has an unusual configuration with a...
Found in a QST magazine from the 90s, this powerful unit is intended to supply a VHF transceiver for...