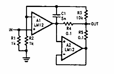
In the figure we have the way to connect operational amplifiers in parallel. The circuit is from a National Semiconductor manual from the 1990s. The configuration applies to other operationals.

In the figure we have the way to connect operational amplifiers in parallel. The circuit is from a National Semiconductor manual from the 1990s. The configuration applies to other operationals.
