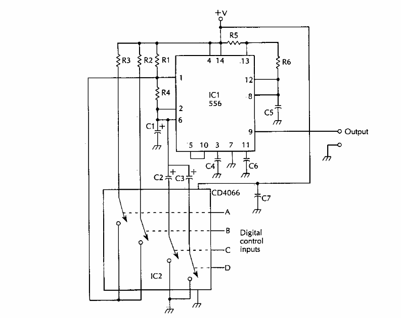
Found in American documentation from the 90s, this circuit generates sound bursts according to the digital control.
This circuit was found in the Linear Applications Handbook by National Semiconductor. It uses...
This temperature compensated circuit was found in a Popular Electronics from the 90s. Integrated...
This circuit can operate with 27 MHz transmitters, having been found in a Japanese publication from 1967....