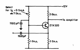
This circuit was found in the 1974 Ferranti transistors manual. The circuit has low input impedance and high output impedance.

This circuit was found in the 1974 Ferranti transistors manual. The circuit has low input impedance and high output impedance.
