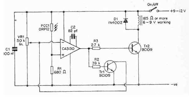
This circuit uses a feedback system that latches the relay when closed. The circuit uses an operational with FET CA3130 and the transistors can be the BC548.

This circuit uses a feedback system that latches the relay when closed. The circuit uses an operational with FET CA3130 and the transistors can be the BC548.
