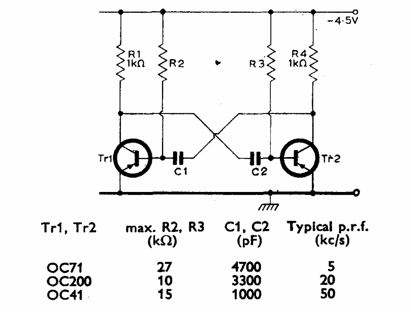
This astable multivibrator was obtained from a Mullard documentation from 1960. The components depend on the used transistor and on the frequency, as shown in the table next to the diagram.
This circuit was found in the Linear Applications Handbook by National Semiconductor. It uses...
This temperature compensated circuit was found in a Popular Electronics from the 90s. Integrated...
This circuit can operate with 27 MHz transmitters, having been found in a Japanese publication from 1967....