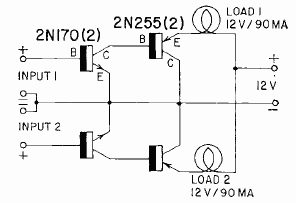
In the figure we have an old circuit for controlling two low-power lamps. The circuit is from Radio Electronics magazine from May 1960, and can be applied to LEDs and using modern transistors.

In the figure we have an old circuit for controlling two low-power lamps. The circuit is from Radio Electronics magazine from May 1960, and can be applied to LEDs and using modern transistors.
