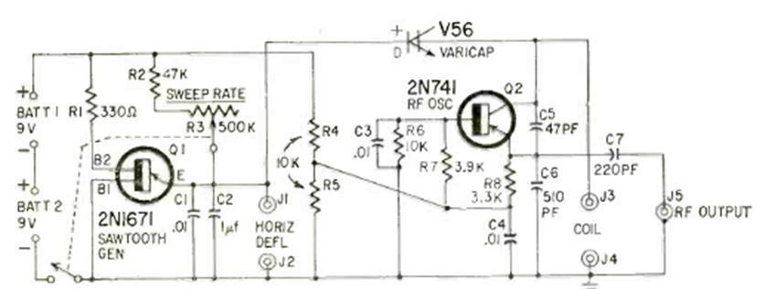
This simple unijunction and bipolar generator appeared in Radio Electronics magazine in September 1865. It generates signals from 100 kHz to 60 MHz and is powered by two 9 V batteries.
This circuit was found in the Linear Applications Handbook by National Semiconductor. It uses...
This temperature compensated circuit was found in a Popular Electronics from the 90s. Integrated...
This circuit can operate with 27 MHz transmitters, having been found in a Japanese publication from 1967....