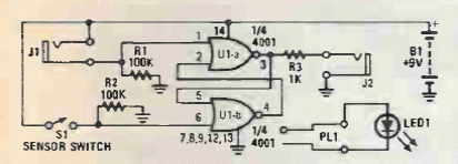
This circuit is from a Popular Electronics from 1992. The circuit powers an LED when triggered.
This circuit was found in the Linear Applications Handbook by National Semiconductor. It uses...
This temperature compensated circuit was found in a Popular Electronics from the 90s. Integrated...
This circuit can operate with 27 MHz transmitters, having been found in a Japanese publication from 1967....