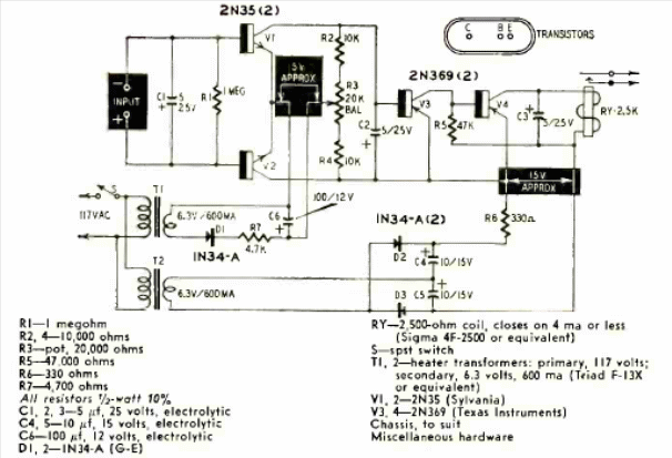
This relay drive circuit was found in the July 1958 Radio Electronics magazine. The transistors are of the time and the relay is the 9V sensitive type.

This relay drive circuit was found in the July 1958 Radio Electronics magazine. The transistors are of the time and the relay is the 9V sensitive type.
