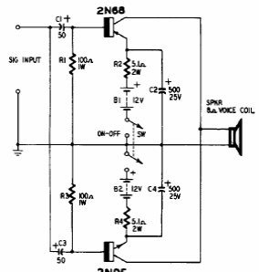
We found this step in an old documentation. The transistors are of the time and the power supply symmetrical.
This circuit, from the 1990 Motorola Dataar Databook, can use any LM139 series comparator. The circuit...
Incandescent lamps of up to a few amps can be placed to flash with this circuit. The frequency depends...
This circuit produces the ticking of a clock on a common piezoelectric transducer. The circuit has an...