This circuit was found in old documentation. Transistors can be BC548. The LEDs are the same.
This circuit is from the 80's integrated circuit manual itself. The component is not as common today...
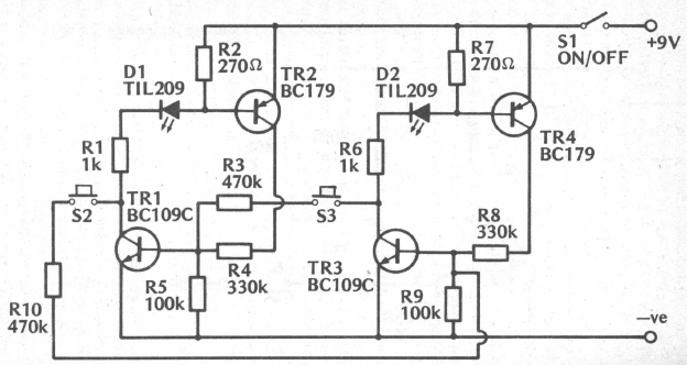
This circuit has been found in an old documentation and therefore uses a lamp as an indicator. In a...
This circuit generates a tone of a bell and can be used in this type of application. The circuit is...