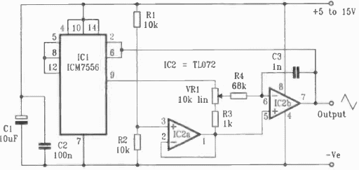
Using the ICM7556, dual CMOS version of the 555, this circuit generates triangular signals from 1 to 10 kHz. The frequency range is determined by the capacitor C3 which can be changed.

Using the ICM7556, dual CMOS version of the 555, this circuit generates triangular signals from 1 to 10 kHz. The frequency range is determined by the capacitor C3 which can be changed.
