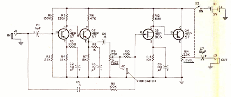
This sound effect circuit is from a Radio Electronics magazine from December 1969. The transistors support equivalents and the power is provided by a battery to reduce the possibility of noise.
August 2016 - It can be obtained from Mouser Electronics the battery protectors series bq7790x of...
We found this circuit in the ON Semiconductor Thyristor Manual although similar configuration can be found...
Published in 1988 in Hands-On Electronics, this circuit converts the 12 V of a battery into 120 V...