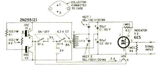
This interesting circuit with an indicator tube powered by a transistor inverter was found in Radio Electronics magazine from November 1960.

This interesting circuit with an indicator tube powered by a transistor inverter was found in Radio Electronics magazine from November 1960.
