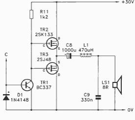
Found in a 1995 documentation, this circuit is an alternative output to the previous circuits. The MOSFETs admit equivalents and must be equipped with heat sinks.

Found in a 1995 documentation, this circuit is an alternative output to the previous circuits. The MOSFETs admit equivalents and must be equipped with heat sinks.
