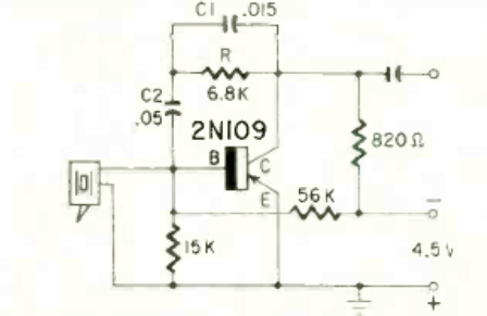
This preamplifier for record players with crystal capsules was found in Radio Electronics magazine from June 1959. The transistor is made of germanium common at the time.

This preamplifier for record players with crystal capsules was found in Radio Electronics magazine from June 1959. The transistor is made of germanium common at the time.
