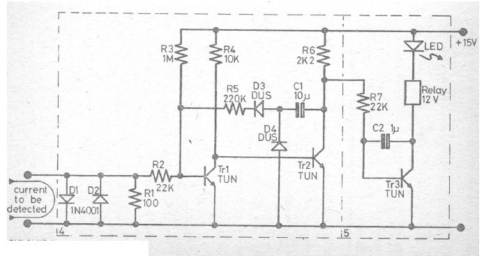
This sensitive circuit for triggering relays was found in an old English publication. It works with alternating signals applied to its input. Transistors are general purpose types.
This simple multitester tests continuity, semiconductors, leaks, and other common component...
A passive mixer with few components is that of the circuit shown, found in a 1982 documentation. As readers...
The purpose of this circuit is to detect audio that amplitude modulates an RF carrier. The circuit is...