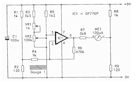
This circuit has the purpose of measuring the pressure of the fingers in a sensor made with a printed circuit board. The circuit was obtained from a documentation from 1995. The operational amplifier admits equivalent.

This circuit has the purpose of measuring the pressure of the fingers in a sensor made with a printed circuit board. The circuit was obtained from a documentation from 1995. The operational amplifier admits equivalent.
