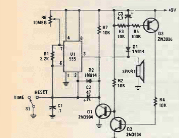
We found this circuit in Popular Electronics from 1992. Time is given by C1. The circuit provides an output beep. Transistors support equivalents.

We found this circuit in Popular Electronics from 1992. Time is given by C1. The circuit provides an output beep. Transistors support equivalents.
