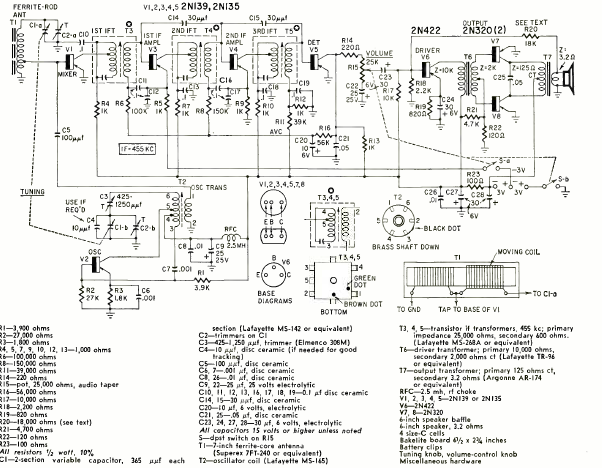
Called super 8, this receiver for the medium wave range had its assembly described in an article in Radio Electronics magazine from August 1960. The receiver is a super heterodyne type.

Called super 8, this receiver for the medium wave range had its assembly described in an article in Radio Electronics magazine from August 1960. The receiver is a super heterodyne type.
