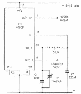
This CMOS oscillator includes the frequency divider to generate a 400 Hz signal and a 1.6 MHz signal. The circuit is from a documentation from the 60s.

This CMOS oscillator includes the frequency divider to generate a 400 Hz signal and a 1.6 MHz signal. The circuit is from a documentation from the 60s.
