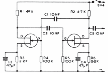
This circuit generates signals whose frequency depends on C1 and C2. JFETs are common types like BF245 or MPF102.
In the figure we have the traditional configuration of a phase shift oscillator that produces a...
This circuit produces an intermittent sound in a ceramic piezoelectric transducer, for example, a simple...
If you have a common analog multimeter, you can increase its input resistance in the measurement of...