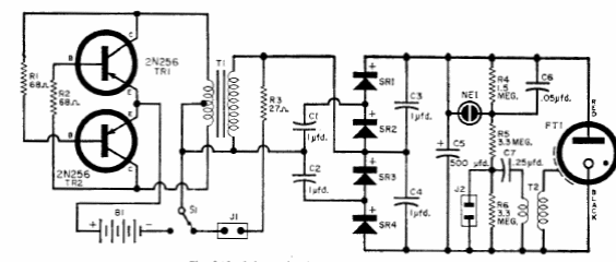
This circuit uses a special 1950's RCA strobe tube. It can be built with equivalent components for the rest of the circuit.
In the figure we have the traditional configuration of a phase shift oscillator that produces a...
This circuit produces an intermittent sound in a ceramic piezoelectric transducer, for example, a simple...
If you have a common analog multimeter, you can increase its input resistance in the measurement of...