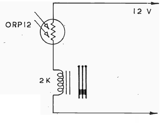
This circuit makes use of an ultrasensitive relay or reed-relay. LDR supports equivalent.
This traditional dimmer configuration for incandescent lamps and heating elements was found in an...
This is another possible version of a negative voltage generator using a 555 integrated circuit. The...
A wire vibrating between the poles of a magnet works as a frequency pattern in this oscillator found in...